
扭矩傳感器概述
本系列扭矩傳感器是在標準測扭應變傳感器的基礎上研發的傳遞扭矩參數的傳感器。扭矩傳感器可感知各種旋轉或非旋轉機械部件上的扭轉力矩,將扭力的物理變化轉換成精確的電信號,從而達到監測被測體的扭矩及功率的目的。
扭矩傳感器特點
1、扭矩測量功能;能源及信號非接觸傳遞功能;輸出信號數字化功能。
2、HX型扭矩傳感器可以傳遞靜止扭矩信號、旋轉扭矩信號、動態扭矩信號、靜態扭矩信號。
3、傳遞信號時與是否旋轉,轉速和轉向無關。可以適應長時間,高轉速運轉。
4、HX型扭矩傳感器精度高,穩定性好;
5、體積小,重量輕,易于安裝;
6、不需反復調零即可連續傳遞正反轉扭矩信號;
7、沒有集流環等磨損件,可以高轉速長時間運行;
8、HX型扭矩傳感器抗干擾性強;
9、可任意位置,任意方向安裝。
扭矩傳感器技術指標
- 量程范圍:300000N?m 以下
- 精 度:0.2%
- 適用轉速:1萬轉/分以下
- 環境溫度:0℃-50℃
- 頻率響應:100 μs
- 自重=9.6Kg
- 輸出信號:0-12v方波頻率; 零扭矩:10 KHZ ;正向滿量程:15 KHZ ;反向滿量程:5 KHZ 負載電流<10mA。
- 信號插座:(1)0V (2)+15V (3)-15V (4)空 (5)扭矩信號。
本系列扭矩傳感器由于是變壓器感應供電,可以長期工作,廣泛應用于電機、發電機、減速機、柴油機的扭矩監測。
如果需要測量轉速時,本系列扭矩傳感器的外殼內已安裝上專用測速傳感器及其測速輪,可測得每轉6-60個方波的轉速信號。

1. 使用兩組聯軸器,將帶扭矩信號耦合器的傳感器安裝在動力源和負載之間。
2. 建議用撓性.彈性或萬向節聯 軸器,以保證同心度∠0.1mm
3.動力及負載設備必須固定可靠避免振動。
4.將本扭矩信號耦合器的基座與設備的基座盡可能采用柔性固定(可以擺動),避免產生彎矩。
三、信號處理
1、使用TR3A型轉矩轉速采集儀直接顯示扭矩轉速功率值;
2、直接將扭矩頻率信號送給計算機或PLC進行處理;
3、外接模塊可轉換為4—20m A或1—5V模擬信號.(選項)
四、使用注意
1、接線必須正確;
2、±15V的范圍:不得低于± 14.5V 不得高于±15.5V;
3、信號線輸出不得對地,對電源短路,輸出電流不大于10mA;
4、屏蔽電纜線的屏蔽層必須與±15V電源的公共端(電源地)連接。
5、使用中如有疑問請及時與本公司聯系,保修期之內不得自行拆 。
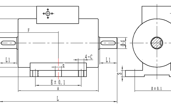
HX5-500N.m規格尺寸表
N?m | φD | φd | L | L1 | E | e | C | A | H | h | B | F | s | 轉速(轉/分) | 自重 | 鍵(長*寬*高) |
5-100 | 78 | 18 | 188 | 28 | 72 | 11 | M8 | 128 | 115 | 54 | 80 | 94 | 10 | 9000 | 3.9 | 單鍵23*6*6 |
200 | 88 | 28 | 207 | 35 | 72 | 11 | M8 | 133 | 124 | 60 | 80 | 103.5 | 10 | 8000 | 5 | 單鍵29*8*7 |
500 | 98 | 38 | 240 | 45 | 72 | 11 | M8 | 146 | 142 | 65 | 80 | 120 | 10 | 7000 | 6.1 | 雙鍵38*10*8 |

HX1000-30萬N.m規格尺寸表(9款)
N·m | φD | φd | L | L1 | E | A | H | h | B | F | s | c | 轉速(轉/分) | 自重 | 鍵(長*寬*高) |
1000 | 108 | 48 | 275 | 60 | 69 | 149 | 152 | 70 | 90 | 137.5 | 15 | 11 | 6300 | 9.6 | 雙鍵50*14*9 |
2000 | 118 | 55 | 298 | 70 | 69 | 152 | 164 | 77 | 124 | 149 | 15 | 11 | 5600 | 13.7 | 雙鍵60*16*10 |
5000 | 143 | 75 | 356 | 100 | 68 | 150 | 188 | 90 | 146 | 178 | 15 | 13 | 4800 | 22 | 雙鍵93*20*12 |
1萬(2萬) | 158 | 98 | 388 | 118 | 80 | 146 | 215 | 109 | 170 | 194 | 15 | 13 | 4000 | 34 | 雙鍵109*28*16 |
5萬 | 215 | 140 | 451 | 135 | 79 | 171 | 265 | 138 | 170 | 225.5 | 15 | 17 | 2800 | 55 | 雙鍵123*36* |
10萬 | 247 | 180 | 572 | 180 | 90 | 156 | 305 | 162 | 250 | 261 | 25 | 17 | 2200 | 85 | 雙鍵166*45*25 |
15萬 | 350 | 235 | 900 | 315 | 220 | 250 | 420 | 220 | 250 | 450 | 25 | 17 | 2000 | 雙鍵315*56*32 | |
20萬 | 360 | 255 | 900 | 320 | 220 | 210 | 446 | 240 | 250 | 450 | 25 | 17 | 1800 | 雙鍵320*56*32 | |
30萬 | 416 | 295 | 900 | 325 | 220 | 224 | 480 | 250 | 268 | 450 | 25 | 17 | 1800 | 雙鍵325*70*36 |








.jpg)

蘇公網安備 32062102000172號